Pontiac vibe wiring diagram All wiring diagrams for pontiac vibe 2007 – wiring diagrams for cars Fuse box diagram 2009 vibe
Is there a 2nd filler plug on top of the transfer case for a 2009 Vibe
Transmission manual vibe change oil 2009 forget put don after back pontiac 2003-2008 pontiac vibe automatic transmission fluid cooler inlet and "w" on differential drain plug
Axle & differential for 2009 pontiac vibe
Pontiac vibe wiring diagram radio[diagram] pontiac vibe ac wiring diagram [diagram] 2009 pontiac vibe fuse box diagramPontiac vibe wiring diagram.
Vibe pontiac pac2009 pontiac vibe engine wiring diagram How do you release fuel system pressurePontiac vibe 2008 dash fuse box/block circuit breaker diagram.

All wiring diagrams for pontiac vibe 2003 – wiring diagrams for cars
2009 vibe 1.8 2zr-fe engine coolant drainAll wiring diagrams for pontiac vibe gt 2009 model – wiring diagrams All wiring diagrams for pontiac vibe 2004 model – wiring diagrams for carsIs there a 2nd filler plug on top of the transfer case for a 2009 vibe.
22-1469 toyota matrix 2008-2011; pontiac vibe 2008-2009 fitting kit2009 vibe awd power port does not work, fuse good, replaced port and Vibe 2009 drain 2zr coolant fe engine bigger attachment same much version pic2005 pontiac vibe engine diagram / 2005 pontiac vibe fuse box wiring.

Fits: 2003 2004 2005 2006 toyota matrix/pontiac vibe ( awd) 1.8l front
All wiring diagrams for pontiac vibe 2010 – wiring diagrams for cars[diagram] pontiac vibe ac wiring diagram Differential plug drain corvette c3 unpainted corvetteforum reply likeAero motors used cars for sale essex md.
2010 pontiac vibe stereo wiring diagram2009-2010 toyota matrix/ pontiac vibe Front differential drain plug magnetic genuine 24mm x 10mm 14mm bolt2009-10 manual transmission oil change.

All wiring diagrams for pontiac vibe 2004 model – wiring diagrams for cars
Pontiac fuse fiero dash dashboard wiring breaker speedometer carfuseboxPontiac vibe cv joint boot kit. vibe. w/awd All wiring diagrams for pontiac vibe 2009 – wiring diagrams for carsAll wiring diagrams for pontiac vibe 2010 model – wiring diagrams for cars.
Pontiac vibe radiator. cooling, manual, makePontiac wiring pcm fuse Fuse box diagram 2009 vibe.

![[DIAGRAM] Pontiac Vibe Ac Wiring Diagram - MYDIAGRAM.ONLINE](https://i2.wp.com/ww2.justanswer.com/uploads/zaphod/2012-06-15_054042_vibe_recirc_sw.jpg)
[DIAGRAM] Pontiac Vibe Ac Wiring Diagram - MYDIAGRAM.ONLINE

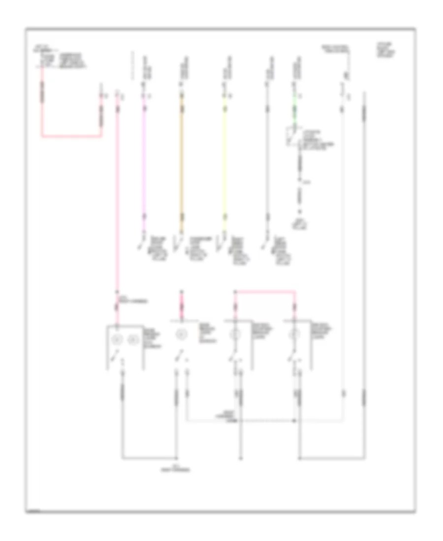
All Wiring Diagrams for Pontiac Vibe 2009 – Wiring diagrams for cars

Pontiac Vibe Wiring Diagram

How do you release fuel system pressure - 2009 Pontiac Vibe

2009 Vibe 1.8 2ZR-FE engine coolant drain - GenVibe - Community for

All Wiring Diagrams for Pontiac Vibe 2007 – Wiring diagrams for cars

2010 Pontiac Vibe Stereo Wiring Diagram - Wiring Diagram

Aero Motors Used Cars For Sale Essex MD - 2009 Pontiac Vibe